




质量
EMC/XGSH-400
(EMC/XGSH-400输入滤波器 )
使用手册
上海西西格电气设备有限公司有限公司
一、主要技术参数
(型号:PLJ/11XGSH-400)
|
额定电压 |
0.48KV(三相) |
|
|
额定保护频率 |
50HZ-0.8KHz ~ 100KHz |
|
|
最大脉冲电流值 |
400A |
|
|
最大连续工作电压(相电压) |
480V |
|
|
最大峰值电压(相电压) |
480V |
|
|
钳位电压值 |
对于3000V的脉冲电压,可限制480V以下 |
|
|
抗浪涌电流 |
对于300V的脉冲电压,脉冲电流不超过1000A |
|
|
电路连接方式 |
三进三出 |
|
|
绝缘电阻 |
>5MΩ |
|
|
耐压/接触点容量 |
导电部分与外壳间承受5000VAC,时间2秒,无击穿和闪络现象/400A |
|
|
滤波性能 |
吸收频率 |
1KHz-120KHz |
|
泄露电流 |
1.2mA |
|
|
外部环境
|
温度范围 |
30℃-60℃ |
|
存贮温度 |
< 60℃ |
|
|
相对温度 |
< 90% |
|
|
大气压力 |
52 -110Kpa |
|
|
工作环境 |
无爆炸无腐蚀性气体导电尘埃,无细菌,无震荡,无冲击源 海拔3500M以下 |
|
|
安装 |
安装方式 |
悬挂安装,0.5 * 12螺丝 |
|
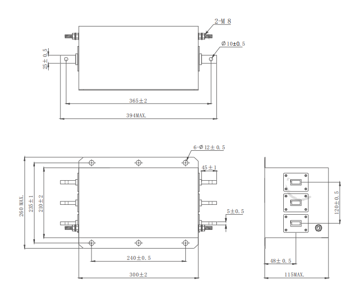
外形尺寸 |
三相:349mm*260mm*115mm (长*宽*高) |
|
|
安装尺寸 |
三相:0.5 - M 10 (235*240) |
|
|
电磁兼容性测试 |
震荡波抗扰度 |
IEC61000-4-5 IEC60939-1-2 U1449 2nd Edition TVSS Testing
|
|
静电放电抗扰度 |
||
|
射频电磁辐射抗扰度 |
||
|
电快速瞬变脉冲群抗扰度 |
||
|
电源 |
功耗 |
小于1.0 W |
|
发热 |
小于40℃(外部环境25℃) |
|
|
外部接口 |
端子/外壳 |
耐高温100℃/电工胶木 |
|
外壳类型 |
电工胶木 |
不锈钢外壳 |
|
维护方式 |
免维护 |
|
|
使用寿命 |
15年以上 |
|
|
接线方式 |
接线端子连接 |
|
|
重量 |
25kg |
|
二、功能特点及解决的问题
功能特点
◆ 采用超微晶合金材料与引进的特别电路 ;输入滤波器一般安装在电源与变频器输入电源线之间,主要用于抑制变频器产生的传导干扰和辐射干扰,同时具备共模和差模抑制能力。变频器投入电网运行时,需要考虑电网电压是否对称,变压器容量的大小及配电母线上是否接有非线性设备等;另一方面,变频器本身输入侧是一个非线性整流电路,对电源的波形将有影响,变频器输出侧电压、电流、非正弦或非完全正弦波含有丰富的谐波。由于变频器中要进行大功率二极管整流、大功率晶体管逆变,结果是在输入输出回路产生电流高次谐波,干扰供电系统、负载及其它邻近电气设备。在实际使用过程中,经常遇到变频器谐波干扰问题。
◆ 对高次谐波、高频噪声、脉冲尖峰、电涌等干扰有极高的吸收作用 ;
◆ 随时跟踪电压、电流波形,矫正因谐波影响而产生畸变的电压、电流波形 ;
◆ 对操作过电压及雷击过电压有保护作用 ;
◆ 减少了用电设备的故障率,全面克服了由于谐波污染引起的高频干扰 ;
◆ 装置本身几乎不耗电,具有较高的经济效益 ;
◆ 结构设计合理,接线简单,安装调试方便 ;
解决的问题
◆ 计算机电子设备、PLC、电机、电器等芯片死机,经常出现莫名奇妙的故障,使得生产无法正常进行。
◆电源净化、可以消除浪涌、尖峰电压、电路噪音和静电等干扰。
◆灯光频闪。
◆数据网络堵塞 。
◆功率因数补偿及普通滤波装置所不能解决的高频率干扰。
◆由于电能质量恶劣,导致用电装置电能利用效率降低,用电量增加,造成不必要的电费支出。
五、安装方式
铜排线分别连接于A、B、C、N、标志上。导线长度视实际情况而定,但要尽可能的短。本装置由于采用电工胶木材料,大大地增强了使用的安全性,可靠性,绝缘性能强化了。
六、安装输入滤波器前后的系统波形对比:
下图中左边是叠加不同频率的高频波形后的合成波形;右边波形分别是通过本谐波保护器后的波形,即并入本输入滤波器后的波形。
试验表明,加入的高频成分,在接入本谐波吸收器后,已被本装置吸收殆尽,还原了正弦50Hz的本来面目。
输入滤波器:波行图
订货须知:订货时需注明相数、电压等级、订货周期,如有其他特殊要求请予以注

安装尺寸图纸

新 闻
中 心
服务热线:137161644346
服务邮箱84686219@qq.com
联系人:万先生
公司传真:+86-021-57180723